Главная / Продукция /
Подшипники радиальные роликовые однорядные с короткими цилиндрическими роликами
/ Подшипники роликовые радиальные с короткими цилиндрическими роликами без наружного кольца
Подшипники роликовые радиальные с короткими цилиндрическими роликами без наружного кольца

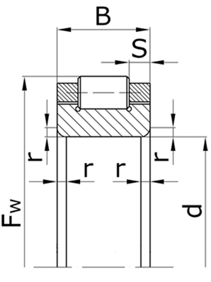
| Обозначение | Размеры | Масса (кг) | |||||
|---|---|---|---|---|---|---|---|
| По ГОСТу | Международное | d | B | r | S | Fw | |
| 502104 | - | 20 | 12 | 1 | 3.25 | 36.5 | 0.055 |
| 502206 | - | 30 | 16 | 1.5 | 4.25 | 53.5 | 0.1 |
| 502207 | RN207 | 35 | 17 | 2 | 4 | 61.8 | 0.16 |
| 502210 | RN210 | 50 | 20 | 2 | 5 | 80.4 | 0.29 |
| 502212 | RN212 | 60 | 22 | 2.5 | 5 | 97.3 | 0.49 |
| 502218 | - | 90 | 30 | 3 | 6 | 148 | 1.36 |
| 502220 | RN220 | 100 | 34 | 3.5 | 7 | 160 | 2 |
| 502307 | - | 35 | 21 | 2.5 | 5 | 68.2 | 0.25 |
| 502308 | RN308 | 40 | 23 | 2.5 | 5.5 | 77.5 | 0.37 |
| 502309 | - | 45 | 25 | 2.5 | 5.5 | 86.5 | 0.49 |
| 502310 | - | 50 | 27 | 3 | 6 | 95 | 0.65 |
| 502311 | - | 55 | 29 | 3 | 6 | 104.5 | 0.82 |
| 502312 | - | 60 | 31 | 3.5 | 6.5 | 113 | 1.05 |
| 1502817 | - | 85 | 13 | 1.5 | 3.5 | 104 | 0.234 |
| 1502818 | - | 90 | 13 | 1.5 | 3.5 | 108.5 | 0.249 |