Главная / Продукция /
Подшипники радиальные шариковые однорядные
/ Подшипники шариковые радиальные однорядные с канавкой на наружном кольце и с двумя защитными шайбами
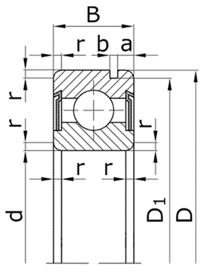
Подшипники шариковые радиальные однорядные с канавкой на наружном кольце и с двумя защитными шайбами

| Обозначение | Размеры | Масса (кг) | |||||||
|---|---|---|---|---|---|---|---|---|---|
| По ГОСТу | Международное | d | D | d1 | B | r | a | b | |
| 450100 | 6000 2ZN | 10 | 26 | 24.8 | 8 | 0.5 | 1.3 | 0.9 | 0.018 |
| 450101 | 6001 2ZN | 12 | 28 | 26.7 | 8 | 0.5 | 1.3 | 0.9 | 0.021 |
| 450102 | 6002 2ZN | 15 | 32 | 30.15 | 9 | 0.5 | 2.06 | 1.35 | 0.029 |
| 450103 | 6003 2ZN | 17 | 35 | 33.17 | 10 | 0.5 | 2.06 | 1.35 | 0.038 |
| 450104 | 6004 2ZN | 20 | 42 | 39.75 | 12 | 1 | 2.06 | 1.35 | 0.068 |
| 450105 | 6005 2ZN | 25 | 47 | 39.75 | 12 | 1 | 2.06 | 1.35 | 0.077 |
| 450106 | 6006 2ZN | 30 | 55 | 52.6 | 13 | 1.5 | 2.08 | 1.35 | 0.117 |
| 450107 | 6007 2ZN | 35 | 62 | 59.61 | 14 | 1.5 | 2.08 | 1.9 | 0.151 |
| 450108 | 6008 2ZN | 40 | 68 | 64.82 | 15 | 1.5 | 2.49 | 1.9 | 0.187 |
| 450109 | 6009 2ZN | 45 | 75 | 72.83 | 16 | 1.5 | 2.49 | 1.9 | 0.235 |
| 450110 | 6010 2ZN | 50 | 80 | 76.81 | 16 | 1.5 | 2.49 | 1.9 | 0.254 |
| 450111 | 6011 2ZN | 55 | 90 | 86.79 | 18 | 2 | 2.87 | 2.7 | 0.372 |
| 450112 | 6012 2ZN | 60 | 95 | 91.82 | 18 | 2 | 2.87 | 2.7 | 0.396 |
| 450113 | 6013 2ZN | 65 | 100 | 96.8 | 18 | 2 | 2.87 | 2.7 | 0.417 |
| 450114 | 6014 2ZN | 70 | 110 | 106.81 | 20 | 2 | 2.87 | 2.7 | 0.572 |
| 450115 | 6015 2ZN | 75 | 115 | 111.81 | 20 | 2 | 2.87 | 2.7 | 0.598 |
| 450116 | 6016 2ZN | 80 | 125 | 120.22 | 22 | 2 | 2.87 | 3.1 | 0.795 |
| 450200 | 6200 2ZN | 10 | 30 | 28.2 | 9 | 1 | 2.05 | 1.3 | 0.032 |
| 450201 | 6201 2ZN | 12 | 32 | 30.15 | 10 | 1 | 2.05 | 1.3 | 0.036 |
| 450202 | 6202 2ZN | 15 | 35 | 33.2 | 11 | 1 | 2.05 | 1.3 | 0.045 |
| 450203 | 6203 2ZN | 17 | 40 | 38.1 | 12 | 1 | 2.05 | 1.3 | 0.072 |
| 450204 | 6204 2ZN | 20 | 47 | 44.6 | 14 | 1.5 | 2.45 | 1.3 | 0.106 |
| 450205 | 6205 2ZN | 25 | 52 | 49.7 | 15 | 1.5 | 2.45 | 1.3 | 0.127 |
| 450206 | 6206 2ZN | 30 | 62 | 59.6 | 16 | 1.5 | 3.25 | 1.5 | 0.197 |
| 450207 | 6207 2ZN | 35 | 72 | 68.8 | 17 | 2 | 3.25 | 1.9 | 0.279 |
| 450208 | 6208 2ZN | 40 | 80 | 76.8 | 18 | 2 | 3.25 | 1.9 | 0.343 |
| 450209 | 6209 2ZN | 45 | 85 | 81.1 | 19 | 2 | 3.25 | 1.9 | 0.396 |
| 450210 | 6210 2ZN | 50 | 90 | 86.8 | 20 | 2 | 3.25 | 2.7 | 0.451 |
| 450211 | 6211 2ZN | 55 | 100 | 96.8 | 21 | 2.5 | 3.25 | 2.7 | 0.587 |
| 450212 | 6212 2ZN | 60 | 110 | 106.8 | 22 | 2.5 | 3.28 | 2.7 | 0.76 |
| 450213 | 6213 2ZN | 65 | 120 | 115.2 | 23 | 2.5 | 4.05 | 3.1 | 0.976 |
| 450214 | 6214 2ZN | 70 | 125 | 120.2 | 24 | 2.5 | 4.05 | 3.1 | 1.043 |
| 450215 | 6215 2ZN | 75 | 130 | 125.4 | 25 | 2.5 | 4.05 | 3.1 | 1.157 |
| 450216 | 6216 2ZN | 80 | 140 | 135.2 | 26 | 3 | 4.9 | 3.1 | 1.377 |
| 450217 | 6217 2ZN | 85 | 150 | 145.2 | 28 | 3 | 4.9 | 3.1 | 1.772 |
| 450218 | 6218 2ZN | 90 | 160 | 155.2 | 30 | 3 | 4.9 | 3.1 | 2.125 |
| 450300 | 6300 2ZN | 10 | 35 | 33.2 | 11 | 1 | 2.05 | 1.3 | 0.053 |
| 450301 | 6301 2ZN | 12 | 37 | 34.7 | 12 | 1.5 | 2.05 | 1.3 | 0.059 |
| 450302 | 6302 2ZN | 15 | 42 | 39.7 | 13 | 1.5 | 2.05 | 1.3 | 0.082 |
| 450303 | 6303 2ZN | 17 | 47 | 44.6 | 14 | 1.5 | 2.45 | 1.3 | 0.113 |
| 450304 | 6304 2ZN | 20 | 52 | 49.7 | 15 | 2 | 2.45 | 1.3 | 0.143 |
| 450305 | 6305 2ZN | 25 | 62 | 59.6 | 17 | 2 | 3.25 | 1.9 | 0.227 |
| 450306 | 6306 2ZN | 30 | 72 | 68.8 | 19 | 2 | 3.25 | 1.9 | 0.326 |
| 450307 | 6307 2ZN | 35 | 80 | 76.8 | 21 | 2.5 | 3.25 | 1.9 | 0.441 |
| 450308 | 6308 2ZN | 40 | 90 | 86.8 | 23 | 2.5 | 3.25 | 2.7 | 0.616 |
| 450309 | 6309 2ZN | 45 | 100 | 96.8 | 25 | 2.5 | 3.25 | 2.7 | 0.818 |
| 450310 | 6310 2ZN | 50 | 110 | 106.8 | 27 | 3 | 3.25 | 2.7 | 1.051 |
| 450311 | 6311 2ZN | 55 | 120 | 115.2 | 29 | 3 | 4.05 | 3.1 | 1.354 |
| 450312 | 6312 2ZN | 60 | 130 | 125.2 | 31 | 3.5 | 4.05 | 3.1 | 1.694 |
| 450313 | 6313 2ZN | 65 | 140 | 135.2 | 33 | 3.5 | 4.9 | 3.1 | 2.073 |
| 450314 | 6314 2ZN | 70 | 150 | 145.2 | 35 | 3.5 | 4.9 | 3.1 | 2.513 |
| 450315 | 6315 2ZN | 75 | 160 | 155.2 | 37 | 3.5 | 4.9 | 3.1 | 3.026 |
| 450316 | 6316 2ZN | 80 | 170 | 163.6 | 39 | 3.5 | 5.7 | 3.5 | 3.586 |
| 450317 | 6317 2ZN | 85 | 180 | 173.6 | 41 | 4 | 5.7 | 3.5 | 4.141 |
| 450318 | 6318 2ZN | 90 | 190 | 183.6 | 43 | 4 | 5.7 | 3.5 | 4.869 |
| 450319 | 6319 2ZN | 95 | 200 | 193.6 | 45 | 4 | 5.7 | 3.5 | 5.628 |