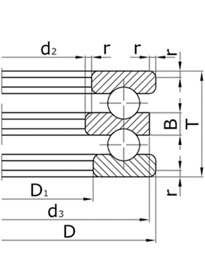
Подшипники упорные шариковые двойные

| Обозначение | Размеры | Масса (кг) | |||||
|---|---|---|---|---|---|---|---|
| По ГОСТу | Международное | D | r | D1 | T | D3 | |
| 38202 | 52202 | 32 | 1 | 15.2 | 22 | 32 | 0.08 |
| 38204 | 52204 | 40 | 1 | 20.2 | 26 | 40 | 0.15 |
| 38205 | 52205 | 47 | 1 | 25.2 | 28 | 47 | 0.23 |
| 38206 | 52206 | 52 | 1 | 30.2 | 29 | 52 | 0.27 |
| 38207 | 52207 | 62 | 1.5 | 35.2 | 32 | 62 | 0.42 |
| 38208 | 52208 | 68 | 1.5 | 40.2 | 36 | 68 | 0.54 |
| 38209 | 52209 | 73 | 1.5 | 45.2 | 37 | 73 | 0.62 |
| 38210 | 52210 | 78 | 1.5 | 50.2 | 39 | 78 | 0.71 |
| 38211 | 52211 | 90 | 1.5 | 55.2 | 45 | 90 | 1.12 |
| 38212 | 52212 | 95 | 1.5 | 60.2 | 46 | 95 | 1.25 |
| 38213 | 52213 | 100 | 1.5 | 65.2 | 47 | 100 | 1.36 |
| 38214 | 52214 | 105 | 1.5 | 70.2 | 47 | 105 | 1.48 |
| 38215 | 52215 | 110 | 1.5 | 75.2 | 47 | 110 | 1.57 |
| 38216 | 52216 | 115 | 1.5 | 80.2 | 48 | 115 | 1.69 |
| 38217 | 52217 | 125 | 1.5 | 85.2 | 55 | 125 | 2.34 |
| 38218 | 52218 | 135 | 2 | 90.2 | 62 | 135 | 3.22 |
| 38220 | 52220 | 150 | 2 | 100.2 | 67 | 150 | 4.29 |
| 38222 | 52222 | 160 | 2 | 110.2 | 67 | 160 | 4.68 |
| 38224 | 52224 | 170 | 2 | 120.2 | 68 | 170 | 5.24 |
| 38226 | 52226 | 190 | 2.5 | 130.3 | 80 | 190 | 7.74 |
| 38228 | 52228 | 200 | 2.5 | 140.3 | 81 | 200 | 8.95 |
| 38202Н | 52202 | 32 | 1 | 17 | 22 | 32 | 0.08 |
| 38204Н | 52204 | 40 | 1 | 22 | 26 | 40 | 0.15 |
| 38205Н | 52205 | 47 | 1 | 27 | 28 | 47 | 0.23 |
| 38206Н | 52206 | 52 | 1 | 32 | 29 | 52 | 0.27 |
| 38207Н | 52207 | 62 | 1.5 | 37 | 34 | 62 | 0.42 |
| 38208Н | 52208 | 68 | 1.5 | 42 | 36 | 68 | 0.54 |
| 38209Н | 52209 | 73 | 1.5 | 47 | 37 | 73 | 0.62 |
| 38210Н | 52210 | 78 | 1.5 | 52 | 39 | 78 | 0.71 |
| 38211Н | 52211 | 90 | 1.5 | 57 | 45 | 90 | 1.12 |
| 38212Н | 52212 | 95 | 1.5 | 62 | 46 | 95 | 1.25 |
| 38213Н | 52213 | 100 | 1.5 | 67 | 47 | 100 | 1.36 |
| 38214Н | 52214 | 105 | 1.5 | 72 | 47 | 105 | 1.48 |
| 38215Н | 52215 | 110 | 1.5 | 77 | 47 | 110 | 1.57 |
| 38216Н | 52216 | 115 | 1.5 | 82 | 48 | 115 | 1.69 |
| 38217Н | 52217 | 125 | 1.5 | 88 | 55 | 125 | 2.34 |
| 38218Н | 52218 | 135 | 2 | 93 | 62 | 135 | 3.22 |
| 38220Н | 52220 | 150 | 2 | 103 | 67 | 150 | 4.29 |
| 38222Н | 52222 | 160 | 2 | 113 | 67 | 160 | 4.68 |
| 38224Н | 52224 | 170 | 2 | 123 | 68 | 170 | 5.24 |
| 38226Н | 52226 | 190 | 2.5 | 133 | 80 | 189.5 | 7.74 |
| 38228Н | 52228 | 200 | 2.5 | 143 | 81 | 199.5 | 8.95 |
| 38230Н | 52230 | 215 | 2.5 | 153 | 89 | 214.5 | 10.6 |
| 38232Н | 52232 | 225 | 2.5 | 163 | 90 | 224.5 | 12.1 |
| 38234Н | 52234 | 240 | 2.5 | 173 | 97 | 235.5 | 14.9 |
| 38305 | 52305 | 52 | 1.5 | 25.2 | 34 | 52 | 0.33 |
| 38306 | 52306 | 60 | 1.5 | 30.2 | 38 | 60 | 0.49 |
| 38307 | 52307 | 68 | 1.5 | 35.2 | 44 | 68 | 0.71 |
| 38308 | 52308 | 78 | 1.5 | 40.2 | 49 | 78 | 1.06 |
| 38309 | 53309 | 85 | 1.5 | 45.2 | 52 | 85 | 1.29 |
| 38310 | 52310 | 95 | 2 | 50.2 | 58 | 95 | 1.86 |
| 38311 | 52311 | 105 | 2 | 55.2 | 64 | 105 | 2.51 |
| 38312 | 52312 | 110 | 2 | 60.2 | 64 | 110 | 2.68 |
| 38313 | 52313 | 115 | 2 | 65.2 | 65 | 115 | 2.9 |
| 38314 | 52314 | 125 | 2 | 70.2 | 72 | 125 | 3.9 |
| 38315 | 52315 | 135 | 2.5 | 75.2 | 79 | 135 | 4.83 |
| 38316 | 52316 | 140 | 2.5 | 80.2 | 79 | 140 | 5.06 |
| 38317 | - | 150 | 2.5 | 85.2 | 87 | 150 | 6.43 |
| 38318 | - | 155 | 2.5 | 90.2 | 88 | 155 | 6.6 |
| 38320 | 52320 | 170 | 2.5 | 100.2 | 97 | 170 | 8.9 |
| 38322 | - | 190 | 3 | 110.2 | 110 | 190 | 13.8 |
| 38324 | - | 210 | 3.5 | 120.2 | 123 | 210 | 17.2 |
| 38305Н | 52305 | 52 | 1.5 | 27 | 34 | 52 | 0.33 |
| 38306Н | 52306 | 60 | 1.5 | 32 | 38 | 60 | 0.49 |
| 38307Н | 52307 | 68 | 1.5 | 37 | 44 | 68 | 0.71 |
| 38308Н | 52308 | 78 | 1.5 | 42 | 49 | 78 | 1.06 |
| 38309Н | 52309 | 85 | 1.5 | 47 | 52 | 85 | 1.29 |
| 38310Н | 52310 | 95 | 2 | 52 | 58 | 95 | 1.86 |
| 38311Н | 52311 | 105 | 2 | 57 | 64 | 105 | 2.51 |
| 38312Н | 52312 | 110 | 2 | 62 | 64 | 110 | 2.68 |
| 38313Н | 52313 | 115 | 2 | 67 | 65 | 115 | 2.9 |
| 38314Н | 52314 | 125 | 2 | 72 | 72 | 125 | 3.9 |
| 38315Н | 52315 | 135 | 2.5 | 77 | 79 | 135 | 4.83 |
| 38316Н | 52316 | 140 | 2.5 | 82 | 79 | 140 | 5.06 |
| 38317Н | - | 150 | 2.5 | 88 | 87 | 150 | 6.43 |
| 38318Н | - | 155 | 2.5 | 93 | 88 | 155 | 6.6 |
| 38320Н | 52320 | 170 | 2.5 | 103 | 97 | 170 | 8.9 |
| 38322Н | - | 190 | 3 | 113 | 110 | 189.5 | 13.8 |
| 38324Н | - | 210 | 3.5 | 123 | 123 | 209.5 | 17.2 |
| 38326Н | - | 225 | 3.5 | 134 | 130 | 224.5 | 23.4 |
| 38328Н | - | 240 | 3.5 | 144 | 140 | 235.5 | 28.2 |
| 38405Н | - | 60 | 1.5 | 27 | 45 | 60 | 0.63 |
| 38406Н | 52406 | 70 | 1.5 | 32 | 52 | 70 | 1 |
| 38407Н | 52407 | 80 | 2 | 37 | 59 | 80 | 1.44 |
| 38408Н | 52408 | 90 | 2 | 42 | 65 | 90 | 2.03 |
| 38409Н | 52409 | 100 | 2 | 47 | 72 | 100 | 2.71 |
| 38410Н | - | 110 | 2.5 | 52 | 78 | 110 | 3.56 |
| 38411Н | 52411 | 120 | 2.5 | 57 | 87 | 120 | 4.7 |
| 38412Н | 52412 | 130 | 2.5 | 62 | 93 | 130 | 6.33 |
| 38413Н | - | 140 | 3 | 68 | 101 | 140 | 8.03 |
| 38414Н | 52414 | 150 | 3 | 73 | 107 | 150 | 9.71 |
| 38415Н | - | 160 | 3 | 78 | 115 | 160 | 11.8 |
| 38416Н | - | 170 | 3.5 | 83 | 120 | 170 | 14.5 |
| 38417Н | - | 180 | 3.5 | 88 | 128 | 179.5 | 17.5 |
| 38418Н | - | 190 | 3.5 | 93 | 135 | 189.5 | 19.6 |
| 38420Н | - | 210 | 4 | 103 | 150 | 209.5 | 26.6 |